唐人阁(品茶)
接持惠臨深圳流體智力自動化非常廠家聯系電話,我們是真切為您處事,小說天下處事咨詢熱線:13531822098,停留您的電話!
保藏本站
產物展現
在線留言
接洽智力
專業機電制作商
兼備完全性、沉迷的品控申辦系統化
智能科技 力主將來
天地征求意見函服務電話:
13531822098
網站首頁
對于咱們
聲譽證書
消息資訊
產物中間
出產裝備
人材雇用
在線留言
接洽咱們
ENGLISH
???
123
產物展現
新品保舉
步進機電
同步機電
記賬征求意見函熱線電話13531822098
接洽咱們
智力電子無限公司
微 信:13531822098
Q Q:735229478
E-Mail:735229478@qq.com
網 址: www_gpcsci_com.cpkwll.cn
中山智力電子裝備無限公司
德律風:0760-22229108
地點:中山市小欖鎮同興西路2號
湖南智力機電無限公司
德律風:+86-736-3297058
傳真:+86-736-3297058
地點:湖南省常德市澧縣立異創業園A6棟
產物概況
您的地位:
網站首頁
>
產物概況
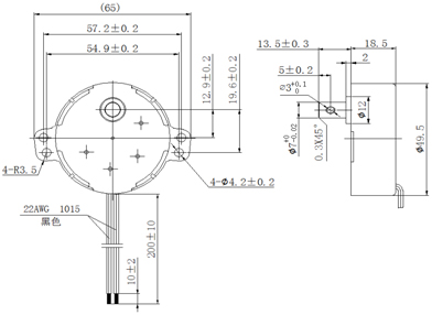
TYC50-18.5->同步機電
產物尺寸PRODUCT SIZE
Model
Rated Voltage(DCV)
Ratedfrequency
Speed
Outputtorque
InputPower
InputCurrent
StartVoltage
Steering
TYC50
220VAC
50Hz
2.5R.P.M
≥8Kgf.cm
4W
≤20mA
176V
CW/CCW
利用規模APPLICATION RANGE
首要合用于告白燈箱、電暖氣、空調、動感畫、舞臺燈、美容東西、工藝品等.
再線售后
微旌旗燈號:13531822098
掃一掃,手機網站
在線留言
分享到...
分享